Производи
ДОМА > Производи
Надворешен SF6 прекинувач за вакуум од серијата ZW20
  • Надворешен SF6 прекинувач за вакуум од серијата ZW20Надворешен SF6 прекинувач за вакуум од серијата ZW20
  • Надворешен SF6 прекинувач за вакуум од серијата ZW20Надворешен SF6 прекинувач за вакуум од серијата ZW20

Надворешен SF6 прекинувач за вакуум од серијата ZW20

Висококвалитетниот вакуумски прекинувач на отворено SF6 од серијата Comewill од серијата ZW20 е надворешен високонапонски вакуумски прекинувач изграден за трифазни системи за наизменична струја од 12 kV, 50 Hz. Тоа е опција за ракување и заштита на струи на оптоварување, преоптоварувања и струи на куса врска - без разлика дали се работи за дистрибутивни мрежи, трафостаници, индустриски постројки или селски поставки за електрична енергија. Работи особено добро во сценарија за кои е потребна честа работа или автоматизирана интеграција на мрежата.

Како професионален производител  на надворешен прекинувач со вакуум SF6 од серијата ZW20 во Кина, овој висококвалитетен прекинувач Comewill пакува напредна технологија за гаснење со вакуумски лак и користи гас SF6 како изолационен медиум. Интегриравме јапонска Toshiba VSP5 структурна технологија за нејзините можности за запечатување на гас, изолација и отпорност на експлозија - така што заптивањето е врвно, нема воопшто истекување на гас SF6 и работи сигурно без оглед на условите на околината.

Неговиот механизам што работи со пружина е компактен, со оптимизации за подобра доверливост и стабилност. Користивме директен погон со ланец и повеќестепен систем за исклучување, што ги прави неговите перформанси многу подобри од традиционалните механизми со пружини. Главното коло се одликува со структура на нараквица со внатрешно проширување и надворешна контракција - овој дизајн го одржува нискиот отпор на контакт и го намалува порастот на температурата за време на работата.

Карактеристики на производот

Куќиштето за прекинувач со вакуум кола од серијата ZW20 за отворено SF6 користи технологија VSP5 запечатена со гас, отпорна на експлозија и изолациона структура - исто така ги подобривме перформансите на запечатување на влезните и излезните цевки. Целата единица може да се пофали со врвно запечатување: внатрешниот гас SF6 воопшто нема да истекува и работи стабилно без разлика на суровите услови на околината.

Неговиот механизам што работи со пружина е минијатуризиран и оптимизиран за максимална сигурност и стабилност. Усвоивме главен погон на синџирот со директно дејство и повеќестепен систем за одвојување, така што неговата оперативна сигурност и стабилност се далеку подобри од традиционалните домашни механизми што работат со пружина - како неколкукратно надградување на перформансите.

Врската на оската и чаурот на главното коло користи структура на синџир на маса што се затвора навнатре и се затегнува нанадвор. Овој дизајн ја одржува ултра ниска отпорноста на контактот на главното коло, што резултира со минимален пораст на температурата за време на работата.

Надворешниот прекинувач со правосмукалка SF6 од серијата ZW20, произведен во Кина, доаѓа и со дополнителни практични функции: заштита од прекумерна струја, индикатор за складирање на енергија од пружини на механизмот и приклучок за авијација за секундарни електрични приклучоци. Многу е лесно да се спои со интелигентни контролери.

Плус, овој производ е целосно компатибилен со контролери кои имаат одлична функционалност за повторно затворање - совршено ги исполнува барањата на системите за автоматизација на дистрибуција на електрична енергија.

Спецификација на производот:

Ставка Единица Податоци
Номинален напон kV 12
Номинална фреквенција Hz 50
Оценета струја A 630
Номинална струја на прекин на краток спој kA 20
Оцена за правење струја (врв) kA 50
Оценета динамичка струја (највисока) kA 50
4s номинална струја за краткотрајно издржување kA 20
Оценета оперативна секвенца
Отвори–0,3s–Затвори Отвори–180s–Затвори Отвори
Номинален напон на моторот за складирање на енергија V AC220
Максимален/минимален напон на моторот за складирање на енергија V AC242/AC18

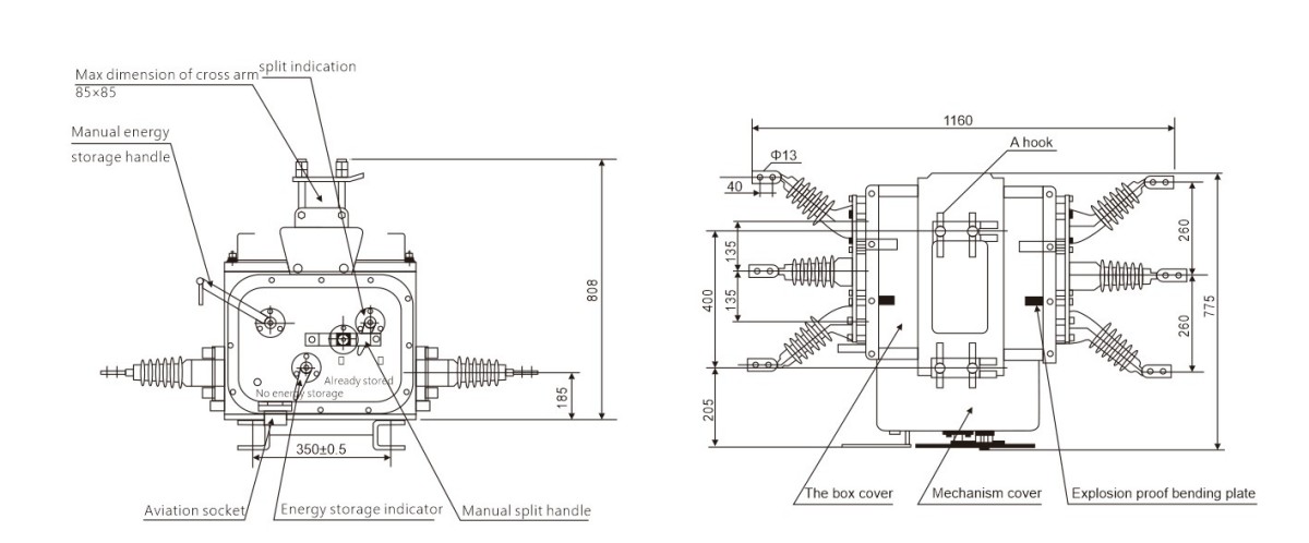
ПРИМЕНА И ДИМЕНЗИЈА НА ИНСТАЛАЦИЈАТА

Совети за нарачување

Овде детално ги разгледавме клучните карактеристики, техничките спецификации и каде најдобро функционира овој прекинувач со правосмукалка за отворено SF6 од серијата ZW20. За да бидете сигурни дека ќе го добиете вистинскиот - вклучително и какви било прилагодени измени - имајте ги на ум овие едноставни точки кога нарачувате:

Напишете ги вашите основни потреби: известете ни за номиналниот напон, струја и струја на прекин на краток спој што ви треба. Ако сакате додатоци како што се изолирање на прекинувачи или комуникациски функции, само наведете ги јасно.
Споделете ги вашите услови на лице место: кажете ни за околината каде што ќе се користи прекинувачот - работи како надморска височина, температурен опсег и ниво на загадување. Ова осигурува дека сигурно се држи во вашето специфично поставување.
Спомнете какви било сопствени барања: ако ви требаат нестандардни поставки, дополнителни функции за заштита или сакате да работи со специфичен контролен систем, дајте ни колку што можете повеќе детали.

Ви треба приспособено решение, уникатна конфигурација или имате прашања за користење на овој прекинувач во нестандардни сценарија? Нашиот технички тим е тука да ви помогне да го добиете токму она што ви треба. Само контактирајте денес за да разговарате преку вашите барања.

Жешки тагови: Отворен прекинувач со правосмукалка од серијата ZW20 SF6, Кина, производител, добавувач, фабрика, на големо, приспособено, на залиха, произведено во Кина, ниска цена, квалитет
Испрати барање
Контакт Инфо
  • Адреса

    бр.777 Wanweng Road, под-област Wengyang, Yueqing City, Wenzhou City, провинција Жеџијанг, Кина

  • Е-пошта

    hannah@comewill.com

Испратете барање до Comewill за разводни уреди, вакуумски прекинувачи, струен трансформатор. Добијте приспособени понуди, ниски цени или стручна поддршка од нашиот фабрички тим во Кина.
X
Ние користиме колачиња за да ви понудиме подобро искуство во прелистувањето, да го анализираме сообраќајот на страницата и да ја персонализираме содржината. Со користење на оваа страница, вие се согласувате со нашата употреба на колачиња. Политика за приватност
Отфрли Прифати