Производи
ДОМА > Производи
Струен трансформатор LMZK-10
  • Струен трансформатор LMZK-10Струен трансформатор LMZK-10
  • Струен трансформатор LMZK-10Струен трансформатор LMZK-10

Струен трансформатор LMZK-10

Струјниот трансформатор LMZK-10 доставен од Welcome (Wenzhou) Electric Co., Ltd. во Кина е погоден за мерење на струја, земање примероци на сигнал и сценарија за заштита на микрокомпјутер на електрична опрема во 10KV AC системи за напојување. Тоа е претпочитана опрема за поддршка за набавка на енергетско инженерство.

Comewill, како водечки кинески производител и добавувач, обезбедува струен трансформатор LMZK-10 за вас, кој нуди основни предности, вклучувајќи компактна големина, отстранливо јадро за лесна инсталација и високопрецизно мерење со употреба на увезен силициум челик. Специјално е дизајниран за компактна разводна опрема од 10 kV.

Овој струен трансформатор LMZK-10 има основни предности како што се мала големина, мала тежина, префрлување и лесна инсталација и е широко погоден за потребите за набавка на компактна целосно изолирана прстенеста мрежа. Тој е особено погоден за комбинирање со далечинска терминална опрема како што се RTU и FTU за да се формира единица за земање примероци, обезбедувајќи сеопфатно решение и поддршка за податоци за целиот систем. По набавката и инсталацијата, нема потреба да се менуваат оригиналните жици. Може директно да се инсталира на поврзаните дојдовни и појдовни кабли, со што работата е едноставна и брза, со што значително се намалуваат трошоците за инженерска инсталација. Во моментов, тој е широко користен во сериите на компактни целосно изолирани прстенести мрежни разводни уреди како што се SafeRing/Plus, Uniswitch, RM6/SM6, SVS, GA/GE, FB, SS итн., а исто така е погоден за набавки и потреби за поддршка на комбинирани трафостаници, кутии за дистрибуција на кабли и друга опрема.

Во однос на материјалите и процесите на јадрото, струјниот трансформатор LMZK-10 користи висококвалитетни увезени лимови од силициум челик со висока пропустливост како магнетни материјали, кои имаат карактеристики на отстранливи железни јадра и мали загуби на магнетно коло. Смолата е вакумирана во пластична обвивка отпорна на пламен, со одлична отпорност на влага, стабилни перформанси и нема потреба од подоцнежно одржување, што ги задоволува барањата за економичност при купување за долгорочна употреба. За време на инсталацијата, прицврстете ги двата полукружни прстени на кабелот одвоен од фаза и прицврстете ги со стеги за беспрекорно да се спојат со кабелот, создавајќи прекрасен и координиран изглед. Производот е погоден за сценарио за набавка на 10KV кабли со спецификации кои се движат од 35mm ² до 400mm ². Стегачот е изработен од висококвалитетен материјал од не'рѓосувачки челик, кој е цврст и сигурен. За време на употребата не се создава вртложна струја, што обезбедува безбедно функционирање на опремата.

Технички барања за работна и монтажна средина-LMZK-10 струен трансформатор

Факторот на моќност на страната на оптоварувањето треба да го исполнува COS φ=0,8 (што покажува карактеристики на хистерезис).
Номиналната секундарна струја може да се избере од спецификациите 5А или 1А за да се задоволат потребите на различните енергетски системи.
Опсег на температура на животната средина: долната граница е -5 ℃, горната граница е 40 ℃, а просечната дневна температура не треба да надминува 30 ℃.
Номиналната работна фреквенција поддржува два заеднички стандарди: 50Hz или 60Hz.
Висината на инсталацијата на опремата треба да се контролира на 1000 метри или подолу.
Нивото на загадување го исполнува стандардот Ниво II и е погодно за конвенционални индустриски средини.

Производството и проверката на производот строго ги следат националните стандарди GB20840.1 и GB20840.2.

ТЕХНИЧКИ ПОДАТОЦИ

ЛМЗК1

Тип LMZK1-10C LMZK1-10P LMZK1-10CP
Цел Мерен струен трансформатор Заштитен струен трансформатор Струен трансформатор со двојно намотување
Сооднос Класа на точност и оценет товар (VA) Класа на точност и оценет товар (VA) Класа на точност и номинален товар (VA)
0.5 1 3 10P15 10P10 10P5 0.5 1 10P10 10P5
50/5

2.5






75/5

2.5

1.5



100/5
2.5


2.5



150/5
2.5

1.5 3.75



200/5 2.5 5

2.5 5



300/5 2.5 5
1.5 2.5 5
2.5
1.5
400/5 5 5
1.5 2.5 5 2.5

2.5
500/5 5 5
2.5 3.75 7.5 2.5

2.5
600/5 5 5
2.5 5 10 2.5

2.5

ЛМЗК2

Тип LMZK2-10C

LMZK2-10P
LMZK2-10CP
Цел
Мерење на струја Заштитна струја Двојна струја на намотување

трансформатор
трансформатор
трансформатор
Сооднос
Класа на точност и Класа на точност и Класа на точност и номинален товар

номинален товар (VA) номинален товар (VA) (VA)
0,2 0,5 1 10P15 10P10 10P5 0,5 1 10P10 10P5
50/5 2.5
2.5
75/5 2.5 2.5 2
1.5
100/5 2.5 5 2.5 5 2.5 2.5
150/5 2.5 5
2.5 5
2.5 2.5
200/5 3.75 7.5
3.75 7.5
3.75 2.5
300/5 2.5 5 3.75 5 10 2.5 5
2.5
5
400/5 5 7.5 3.75 5 10 5 5
2.5 5
500/5 5 7.5 5 7.5 15 5 5 3.75 7.5
600/5 5 10 5 7.5 15 5 5 3.75 7.5

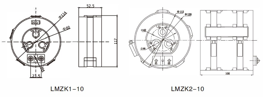
Димензија на преглед


Жешки тагови: Струен трансформатор LMZK-10, Кина, производител, добавувач, фабрика, на големо, приспособено, на залиха, произведено во Кина, ниска цена, квалитет
Испрати барање
Контакт Инфо
  • Адреса

    бр.777 Wanweng Road, под-област Wengyang, Yueqing City, Wenzhou City, провинција Жеџијанг, Кина

  • Е-пошта

    hannah@comewill.com

Испратете барање до Comewill за разводни уреди, вакуумски прекинувачи, струен трансформатор. Добијте приспособени понуди, ниски цени или стручна поддршка од нашиот фабрички тим во Кина.
X
Ние користиме колачиња за да ви понудиме подобро искуство во прелистувањето, да го анализираме сообраќајот на страницата и да ја персонализираме содржината. Со користење на оваа страница, вие се согласувате со нашата употреба на колачиња. Политика за приватност
Отфрли Прифати